Projects
Construction Project Billboard Design CAD Drawing
MORE DETAILS
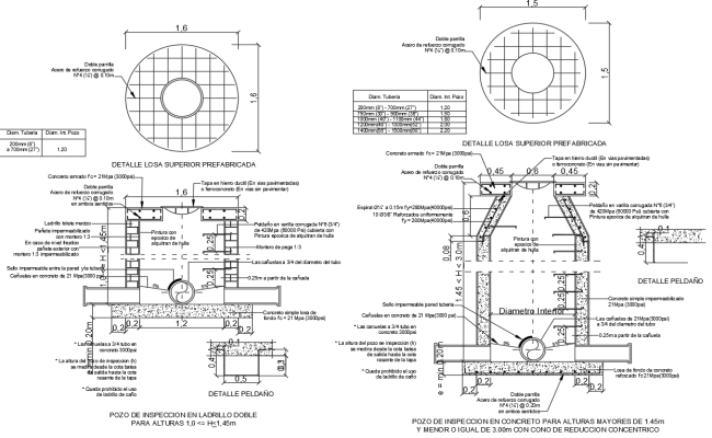
Concrete Brick Manhole with Structural Detailing in DWG File
Residential apartment floor layout plan in DWG format
Electrical cable jointing and grounding in a CAD DWG File
Cricket Stadium Layout AutoCAD Blocks and Model File
Compact 24?6×50?ft Home Layout with Elevation in DWG File
BS Parc Pacatuba Site and Admin Layout Design in DWG Format
Govt Boys and Girls Primary School Layout in AutoCAD File
Commercial Complex Design with Detail Floor Plan in DWG File
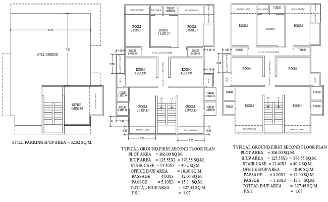
G plus 2 House Plan with Parking and Room Layout in CAD File
Lighting and Socket Installation Detail in AutoCAD DWG File
Distribution Board with Cable Tray Installation in CAD File