LOGIN
HOME
CATEGORIES
UPLOAD FILE
PRICING
HOUSE PLAN
ABOUT US
CONTACT US
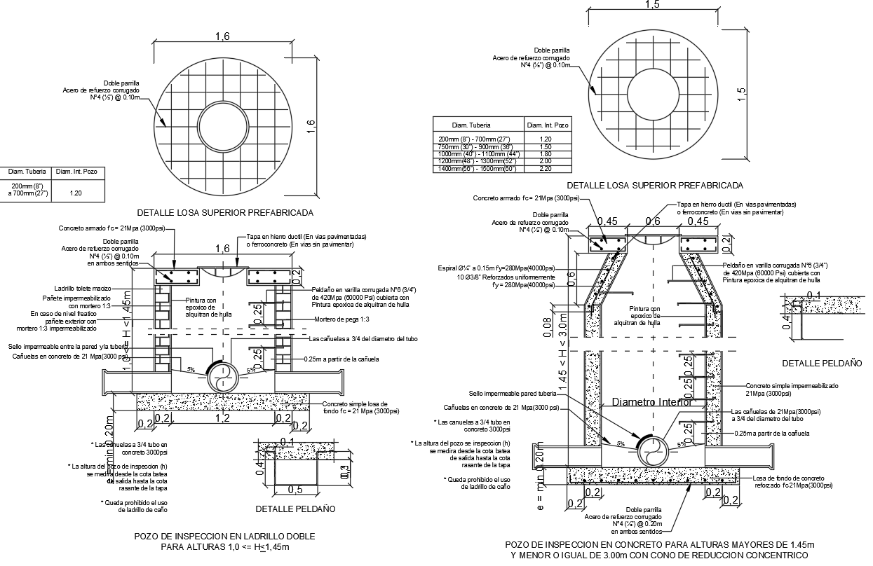
Concrete Brick Manhole with Structural Detailing in DWG File
Home
Categories
Structure
Section Plan CAD Blocks & DWG Drawing Models
Concrete Brick Manhole with Structural Detailing in DWG File
Description
Download DWG drawings of manholes in concrete and brick, including reinforcement, prefabricated slabs, step details, and pipe joint specifications.
File Type:
DWG
Category::
Structure
Sub Category::
Section Plan CAD Blocks & DWG Drawing Models
type:
Gold
Eiz
Luna
View Profile
View Profile
Download
Add to libary
find Latest
Related
Files